Product Introduction
千旭電力多功能三相相位伏安表是進行三相電參數測量,可以完成三相的電壓、電流、相角、頻率、功率、功率因數等電參數的高精度測量。
多功能三相相位伏安表真彩色顯示分辨率800×480,觸摸屏操作人機界面友好,儀器便于攜帶。能夠同時測量三相電壓和電流,以及它們之間的相位關系,包括相位角度和相位差具有較高的測量準確性,能夠精確地測量電壓、電流和相位角度,保證電路參數的準確監測。適用于工業生產中的三相供電系統,用于監測電網、發電機、變壓器、電動機等設備的電參數。三相相位伏安表是用于測量和監測三相電路中電壓、電流和相位關系的重要儀表,具有多功能、準確性高、直觀顯示和可靠性強等特點,廣泛應用于工業生產和電力系統中。
Product Introduction
類型 | 測量范圍 | 單位 | 誤差 | 分辨率 |
電壓 | 1~600 | V | 0.3%×量程 | 0.01V |
電流 | 0.001~10 | A | 0.2%×量程 | 0.0001A |
有功功率 | 0.001~5000 | W | 0.5%×讀數(PF=1) | 0.1W |
無功功率 | 0.001~5000 | VAR | 0.5%×讀數(PF=0) | 0.1VAR |
視在功率 | 0.001~5000 | VA | 0.5%×讀數 | 0.1VA |
頻率 | 45~65 | HZ | 0.1%×讀數 | 0.01HZ |
相位 | 0~360 | ° | ±2° | 0.1° |
Product Parameters
1、同時測量三相電壓和四路電流:測試儀應具有足夠的通道來同時測量三相電壓和四路電流,其中包括零線電流。
2、同時測量相角:測試儀能夠同時測量三相交流電壓相角、電流相角和功角,以便分析系統中的相位關系。
3、測量電網頻率和相序:測試儀能夠準確地測量電網頻率和相序,以確保系統正常運行。
4、計算電壓、電流不平衡度:測試儀應具有功能來計算電壓和電流的不平衡度,以評估系統的穩定性和均衡性。
5、自動判別負載類型:測試儀能夠自動識別變壓器繞組、容性和感性負載,以幫助用戶更好地理解系統的負載情況。
6、六角圖顯示、彩色相序分析:測試儀的顯示屏應具有六角圖顯示功能,并能夠進行彩色相序分析,以直觀展示系統中的相位關系。
7、功率測量:測試儀可以測量有功功率、無功功率、視在功率、三相功率和功率因數,以評估系統的功率特性。
8、數據保存和查看功能:測試儀具有數據保存和查看功能,用戶可以隨時查看歷史數據以及實時數據。
9、數據導出功能:測試儀能夠將數據導出到外部設備,以進行進一步的分析和處理。
10、觸摸屏顯示:測試儀配備5寸TFT彩屏,并具有觸摸功能,以方便用戶進行操作和查看數據。
11、中英文界面切換:測試儀支持中英文界面切換,以滿足不同用戶的需求。
12、長時間待機:測試儀采用鋰電池供電,可充電,連續待機時間大于10個小時,確保在長時間使用中的可靠性和穩定性。
Product Image


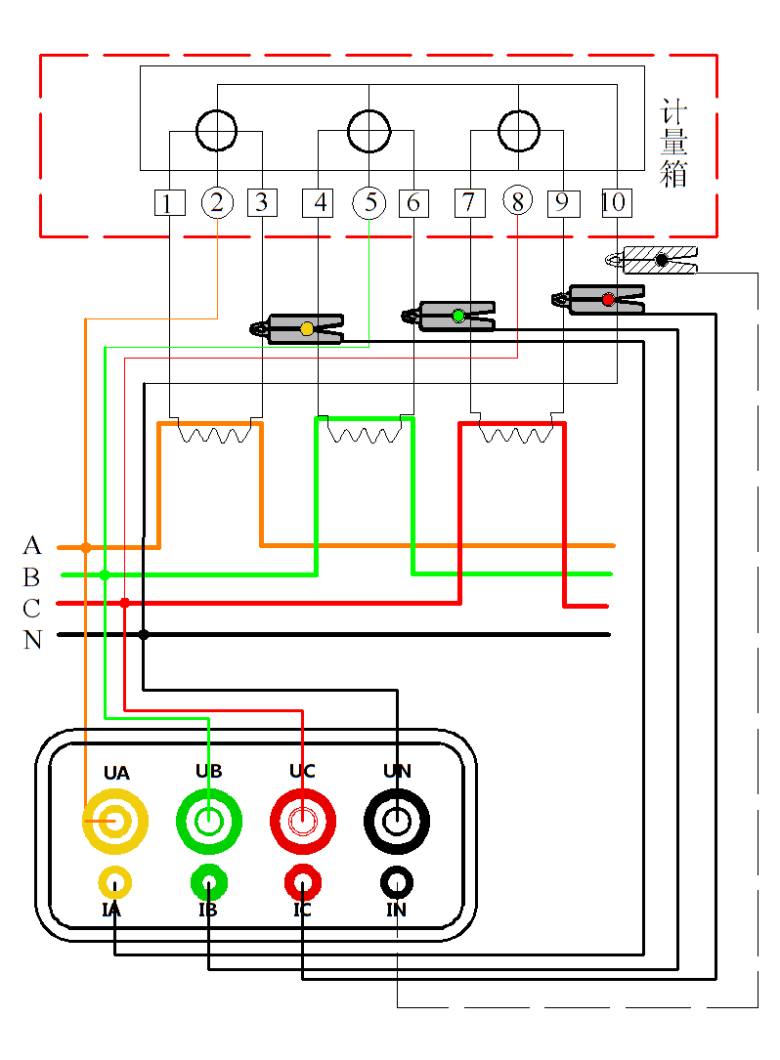
接線方式

單相電接線方式

三相三線接線方式

三相四線接線方式
Product Certificate

名稱 | 全功能配置 | 標配 |
主表 | 1只 | 1只 |
電流鉗 | 4只 | 3只 |
12V1A適配器 | 1只 | 1只 |
鱷魚夾 | 4只 | 4只 |
導線 | 4條 | 4條 |
說明書合格證 | 1份 | 1份 |
手提箱 | 1只 | 1只 |