Product Introduction
為了滿足變壓器直流電阻測量的需要,該款直流電阻測試儀具有高效率、體積小、重量輕、輸出電流大等特點。該款直流電阻測試儀不僅能測配變,還能測量其他各類直流電阻,比如銅排、接觸器、繼電器觸點、金屬導線、電纜附件等試品的快速測量,具有速度快、數據穩定的特點。
Product Introduction
工作電源 | 直流:內置12.6V/5.2AH鋰電池(專用電源適配器) | |
輸出電流 | 5mA、100mA、300mA 、1A、10A(依量程選擇) | |
量程(電阻量程切換) | ||
10A檔 | 0~0.1Ω | |
1A檔 | 0.03~6Ω | |
300mA檔 | 0.1Ω~20Ω | |
100mA檔 | 0.3Ω~60Ω | |
5mA檔 | 30Ω~20kΩ | |
準確度 | 小于1.000kΩ | ±(0.2%RD+0.05%FS) |
1.000kΩ或以上 | ±(0.2%RD+0.1%FS) | |
最小分辨率 | 1μΩ | |
顯示 | 正顯液晶顯示屏,陽光下可清晰顯示 | |
工作溫度 | -10~40℃ | |
環境濕度 | ≤80%RH,無結露 | |
儲存條件 | -20℃~50℃,≤95%RH, 無結露 | |
體積 | 長315mm×寬240mm×高150mm | |
主機凈重 | 2.5Kg(含電池) | |
Product Parameters
1. 輕巧強大:電流大,重量輕。
2. 多檔輸出:提供5檔輸出電流選擇,最大輸出10A電流,滿足不同測試需求
3. 長續航:內置大容量鋰電池,可連續工作8小時以上,適合現場操作。
4. 寬測量范圍:測量范圍廣泛(0-20KΩ),也可用于其他被試品的內阻測試。
5. 用戶友好:簡單友好的菜單設計,數據顯示清晰易讀,即使在陽光下也能清晰顯示。
6. 全面保護:具備完善的保護電路,包括針對測試線斷開或電源中斷的放電回路及反電勢保護電路。
7. 抗拉弧能力:具備良好的抗拉弧能力,保證安全穩定的測試環境。
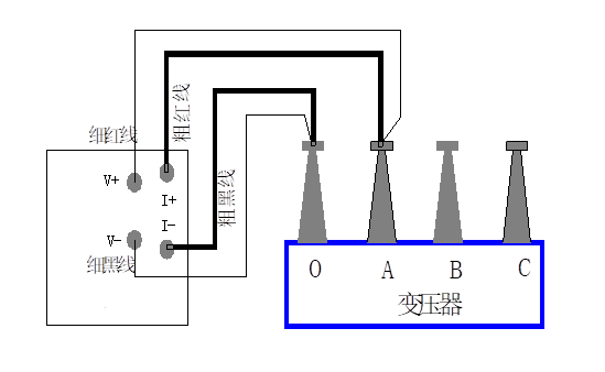
Product Image


Product Certificate

便攜式主機 一臺
專用測試線 一套
電源適配器 一個
標準電阻 一只
使用說明書 一份
合格證、保修卡 一份