直流高壓發生器接線及操作
直流高壓發生器ZGF系列 對氧化鋅避雷器、磁吹避雷器、電力電纜、變壓器、發電機等設備進行泄漏電流和直流耐壓試驗,也可用于靜電吸塵、噴涂等電源使用的直流高壓設備
操作說明
●本儀器是提供高壓直流源的儀器,使用前必須可靠接地。
●使用儀器的工作人員,必須是具有【高壓試驗上崗證】的專業人員。
●使用儀器時必須按《電力安全工作規程》的規定操作,并在工作電源進入儀器前加裝兩個斷開點。當更換被試品或接線時,應先將兩個電源斷開點明顯斷開,同時在現場必須保證至少有三個試驗人員,這樣才能有效的保證使用人員的安全。
●控制箱上的指示燈、開關、表頭、旋鈕等已標記清楚,操作儀器時請參照【控制箱面板功能說明】使用。
●倍壓筒底座的四芯航插為連接控制箱的專用插座,側面端子為連接地線時的接地端子。
●高壓電流表為數顯微安表,表頂端插孔為連接被試品的高壓引線插孔,同時也起到電源控制開關的作用,不用時請拔掉插頭。更換電池時將后蓋旋轉打開,換好電池后將后蓋旋轉擰緊。
使用前準備
●將電開關打在關機位置,再仔細檢查儀器的完好性,各連接線不應有斷路或短路的情況。
●把控制箱和倍壓筒放置到合適位置,分別連接好電源線、四芯連接線和接地線。控制箱和倍壓筒及放電棒接地線,應按要求一點接地。
●將電壓調節電位器逆時針回零,再把過壓整定調整到需要的電壓保護值。
●在打開控制箱電源開關之前,一定要確認好儀器接的是AC220V交流電源,仔細檢查接線是否正確,同時也要檢查放電棒的接地線是否可靠。
空升試驗驗證電壓保護整定值
●接通AC220V電源后,打開電源開關,綠色按鈕【高壓斷】綠燈亮,表示電源已接通。
●按下紅色按鈕【高壓通】紅燈亮,表示高壓已接通。
●順時針方向平緩旋轉電壓調節電位器,輸出端從零開始升壓,控制箱電壓表顯示值為所升的電壓值,緩慢升壓至接近過壓保護整定值后,記錄電壓表讀數,并驗證記錄值是否為額定電壓值的1.1倍。
●試驗完畢后,將電壓調節電位器逆時針回零,當電壓降至接近0V時,按下綠色按鈕【高壓斷】綠燈亮,再關閉電源開關。
泄漏電流及直流耐壓試驗
在完成【使用前準備】和【空升試驗驗證電壓保護整定值】確認儀器正常后,即可對被試品進行泄露電流和直流耐壓試驗。
●在做負載試驗前,將高壓微安表安裝在倍壓筒頂端上的高壓引出端,并將配套的專用高壓引線分別接到高壓微安表和被試品上。
●檢查控制箱、倍壓筒、被試品、放電棒的接線是否正確,接地線的連接是否可靠,并確認安全距離符合要求后,方可進行高壓試驗。
●接通AC220V電源后,打開電源開關,綠色按鈕【高壓斷】綠燈亮表示電源已接通,按下紅色按鈕【高壓通】紅燈亮,表示高壓已接通,可進行升壓試驗。
●順時針方向平緩旋轉電壓調節電位器,輸出端從零開始升壓,升壓速度以每秒3~5kV上升至所需試驗電壓為宜。
●試驗完畢后,將電壓調節電位器逆時針回零,當電壓降至接近0V時,按下綠色按鈕【高壓斷】綠燈亮,再關閉電源開關。
注意:
●對于大電容性被試品升壓時需緩慢升壓,且應在高壓回路中串接限
流電阻。試驗完畢后,待被試品電壓自放電至試驗電壓的20%以下時,再通過放電棒充分放電后,方可進行高壓引線的拆除或更換接線工作。
●對于小電容性被試品如:氧化鋅避雷器、磁吹避雷器等升壓至所需電壓、電流的95%,再緩慢升壓至所需的電壓、電流,最后從數顯表上讀出電壓、電流值。
●如需對氧化鋅避雷器進行0.75UDC1mA測試時,先將電壓升至UDC1mA電壓值,再按下黃色按鈕【0.75UDC1mA】,此時輸出電壓降至原來的75%,并保持此狀態,即可讀取泄漏電流值。
注意:
使用過程中如發現綠燈亮紅燈滅時,表示機內保護電路已動作,且高壓回路已斷開,此時可按下列步驟操作:
●將電壓調節電位器逆時針回零,再關閉電源開關。
●等待一分鐘時間,待儀器內部低壓電容器充分放電后,再打開電源開關重新進行空升試驗。
●空升試驗確認正常后,再連接被試品進行升壓試驗。
測試方法
●對于一般的測試,將控制箱升壓至試驗電壓后讀取空升時的電暈和雜散電流I,
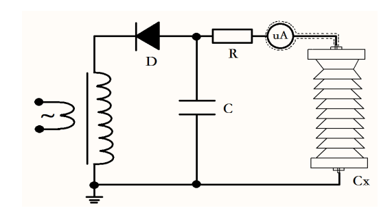
●需精確測試泄漏電流時,則應在高壓側串入微安表。【如圖1所示】

圖1微安表接入被試品Cx高壓側接線圖
注意:高壓微安表必須要有金屬屏蔽,應采用屏蔽線與被試品相連接。高壓引線的屏蔽應與微安表的屏蔽緊密相連。如被試品表面有污垢,需排除被試品表面泄漏電流影響時,可在被試品高電位端用裸金屬軟線緊密繞幾圈后與高壓引線的屏蔽相連接。【如圖5所示】

圖2排除被試品Cx表面影響連接示意圖
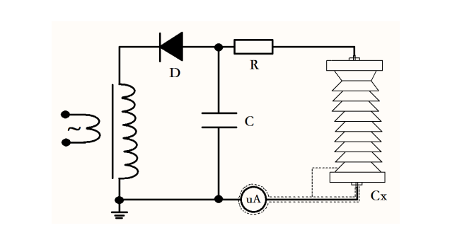
對于氧化鋅避雷器、磁吹避雷器等被試品接地端在可拆開的情況下,也可采用在被試品底部【地電位側】串入電流表的方式進行測試,【如圖6所示】。當需要排除被試品表面泄漏電流影響時,可在被試品地電位端用裸金屬軟線緊密繞幾圈后與低壓引線的屏蔽相連接。【如圖7所示】

圖3 微安表接入被試品Cx底部接線圖

圖4 排除被試品Cx表面影響接線圖






