多頻感應耐壓試驗接線原理圖
作者:千旭電力
更新時間:2023-11-15
點擊數:
多頻感應耐壓試驗接線原理圖
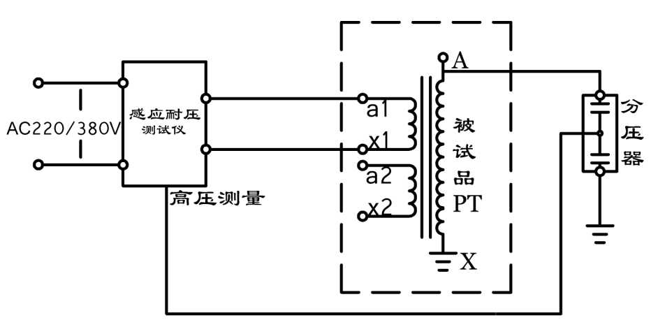
高壓測量接線圖
次級繞組增壓原理圖(附件1)

在該接線圖中,多頻主機的輸出連接到被測PT的測量繞組,然后將PT的高壓側連接到分壓器的高壓端。 分壓器的信號線連接至多頻主機的分壓信號輸入端。 。 開始測試前應確保各接地端子可靠接地。 由于連接了高壓分壓器,因此測試時無需考慮容量上升問題。 多頻主機采集到的高壓端電壓值即為實際測試電壓值。
次級繞組串聯電壓原理圖(附圖2)

如果圖1所述的測試中多頻感應耐壓測試儀的輸出功率不能使被測PT達到測試電壓,可以參考圖2的接線方法將次級繞組串聯以獲取電壓 ,因此相同的功率要求需要更少的輸入電流,因為次級電壓更高。
3.2 不帶高壓測量接線圖
次級繞組增壓原理圖(附圖3)
此接線圖為不帶高壓分壓器的參考接線方法。 多頻輸出連接到被測PT的測量繞組,然后根據PT本身的變比轉換高壓電壓。 這里,因為它沒有配備高壓分壓器。 當電壓等級較高時,需要考慮容量上升對一次電壓的影響。
次級繞組串聯電壓原理圖(附圖4)

圖3中,如果多頻主機的輸出功率無法在被測PT原邊獲得理論測試電壓,可以考慮串壓PT的副邊繞組。 此時,需要相同的功率要求,因為次級電壓較高,因此需要較小的輸入電流。 由于這種接線方式沒有配備分壓器,因此還必須考慮容量上升的影響。






