變壓器直流電阻測試儀
變壓器直流電阻測試儀是一種專門用于測量變壓器繞組直流電阻的設備。通過測量直流電阻,可以判斷變壓器的繞組是否存在短路、開路或接觸不良等故障。這種測試在變壓器的生產、維護和檢修中具有重要意義,是保障變壓器安全運行的重要工具,能夠有效提高設備的運行可靠性。通過定期的直流電阻測試,能夠及時發現并處理潛在故障,延長設備使用壽命,確保電力系統的穩定性與安全性。

一、工作原理
變壓器直流電阻測試儀的儀器內部提供穩定的直流電源,將電流通過變壓器的繞組。電流在通過繞組的直流電流下,儀器會測量電阻所產生的電壓降。根據歐姆定律(R=U/I),儀器將測得的電壓與電流進行計算,得出繞組的直流電阻值。最后試驗人員通過測得的電阻值與標準值進行比較,判斷變壓器的狀態。
二、參數特征(以單相10A直阻為例)
電流檔位 | 測量范圍 | 電流檔位 | 測量范圍 |
10A | 500uΩ~500mΩ | 300mA | 100mΩ~25Ω |
5A | 1mΩ~1.5Ω | 100mA | 500mΩ~80Ω |
1A | 50mΩ~8Ω | 5mA | 30Ω~50kΩ |
技術指標 | |||
準確度 | ±(讀數×0.2%) | 最高分辨率 | 0.1uΩ |
使用條件及外形 | |||
工作電源 | AC220V,50Hz/60Hz | ||
主機重量 | 4kg(不含測試線) | 主機尺寸 | 320×240×130mm3 |
使用溫度 | -10℃~50℃ | 相對濕度 | ≤90%,不結露 |
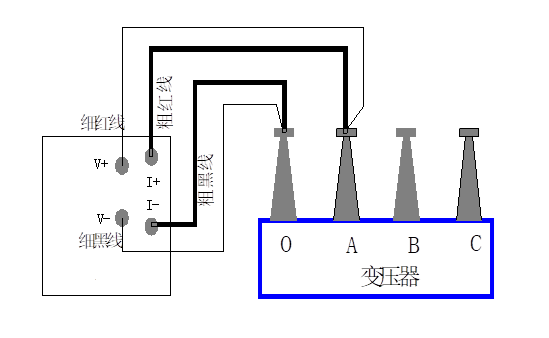
三、試驗操作
變壓器直流電阻測試儀接線很簡單,儀器面板主要是一組電壓端子和一組電流電阻,通過對被試品兩端夾上測試夾子即可完成對被試品的電阻測量。

電源開關 儀器工作電源,內置可充電鋰電池。
功 能 鍵 七個功能鍵,根據儀器運行界面顯示當前按鍵功能。
RES和FL按鍵 為儀器更新程序使用按鍵。
I+、 I- 輸出電流接線柱,I+為輸出電流正,I-為輸出電流負。
V+、V- V+為電壓線正端,V-為電壓線負端。


選擇合適的測試電流,可以觀察每個測試電流的對應的測試范圍,然后填寫測試環境和溫度,直接點擊測試即可完成測試,數據出來后可以點擊保持和打印,點擊“停止”儀器自動放電,防止拆除測試線時候拉弧。
四、應用領域
變壓器:廣泛應用于變電站、發電廠等場所,對變壓器進行定期檢查,同時適用于互感器的二次繞組測試。
發電機:也適用于發電機線圈繞組的測試。
線路:用于普通電線電阻為毫歐級別的電阻測量。適用性非常廣泛。
五、使用注意事項
在進行測試時,務必遵循安全操作規程,避免觸電風險,確保測試環境干燥,避免潮濕對測量結果的影響。定期對測試儀器進行校準,確保測量精度,測試后應詳細記錄測量數據,以便后續分析和比較,最后在操作結束后需要放電。
六、試驗報表
安裝位置 | XXX發電廠 | 溫度: 11℃ | 濕度:57% | 試驗日期 | 2024.1.15 | |||||||||||||||||||||||
銘 牌 | ||||||||||||||||||||||||||||
型 號 | TYD110/√3-0.02H | 額定電壓 | 110/√3/0.1/√3/0.1/√3/0.1kV | |||||||||||||||||||||||||
額定絕緣水平 | 126/230/550 kV | 額定頻率 | 50HZ | 出廠日期 | 2021年9月 | |||||||||||||||||||||||
編號 | A | 21110059-2-1 | B | 21110059-2-2 | C | 21110059-2-3 | ||||||||||||||||||||||
制造廠家 | XXXX有限公司 | |||||||||||||||||||||||||||
直流電阻測量 | ||||||||||||||||||||||||||||
相別 | A | B | C | 誤差 | 結論 | |||||||||||||||||||||||
1a1n(mΩ) | 33.3 | 34.3 | 34.1 | 2.95% | 合格 | |||||||||||||||||||||||
2a2n(mΩ) | 41.3 | 42.2 | 41.6 | 2.16% | 合格 | |||||||||||||||||||||||
3a3n(mΩ) | 43.3 | 43.7 | 43.2 | 1.15% | 合格 | |||||||||||||||||||||||
dadn(mΩ) | 306.9 | 307.8 | 306.6 | 0.39% | 合格 | |||||||||||||||||||||||






