三相相位伏安表怎么操作及接線?
三相相位伏安表是電力系統常用的電能質量測試儀器,它可以測量電力的頻率、電壓、電流、相位及不平衡率,是很方便操作的一款設備,下面來將接線三相相位伏安表的具體操作步驟和接線介紹

1、開關機說明
首先長安開機鍵,在等待過后界面顯示如下圖;

圖1、開機畫面
2、測量界面說明
開機儀表自動進入測量界面如下:

圖2、伏安相位測量界面
開機默認測試伏安相位,如果測試三相不平衡度,選中【伏安相位】按【向上】或【向下】按鍵,顯示不平衡度測試界面如下:

圖3、不平衡度測量界面
如果測量方式選擇三相三線,按【向右】或【向左】按鍵,選中【三相四線】再按【向上】或【向下】按鍵選擇【三相四線】、【三相三線】或者【單相】測試,本儀表具有數據保持和保存功能,測試中按【保存/SAVE】按鍵彈出數據保存對話框,數據自動保存完畢關閉對話框,數據保存采用循環保存新保存數據會自動刪除最早保存的那組數據,查看功能可以查看保存數據紫色圖標會用有顯示紅色數字,代表保存數據的序號。通過【向上】或【向下】按鍵翻看數據。
測試過程中儀器自帶分析負載特性,當負載功角小于5度儀器判斷為阻性負載,當功角大于5度儀器根據功角正負判斷是容性負載還是阻性負載。

圖4、主頁界面
在測試界面按【退出/ESC】鍵退出測試進入主頁界面,按【向右】或【向左】按鍵選擇圖標。按【確定/OK】鍵進入功能界面。

圖5、系統設置對話窗
顯示系統設置對話窗,按【循環/TAB】循環光標位置,按【向上】或【向下】按鍵調整數字,語言設置下可以選擇【簡體中文】和【English】,當調整時間某一位位數時,按【向右】或【向左】按鍵選擇需要調整的數字,調整完畢按【循環/TAB】鍵,將光標移動到【保存】按【確定/OK】鍵保存并退出。
3、單相測量的接線方式
如下圖:

圖6、單相電接線方式
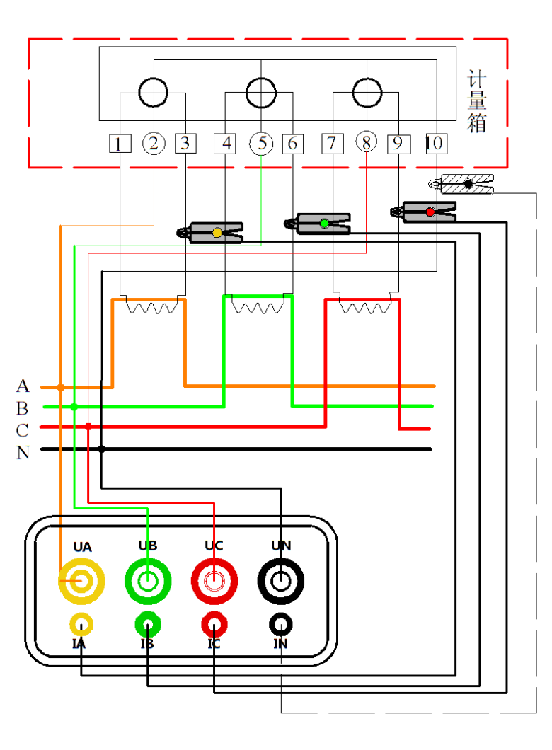
4、三相三線的測量方式。
如果是測試單相電的話,將UA相接到火線,UN相接到零線上,將電流的鉗形傳感器鉗到火線,并插入IA端子。如下圖:

圖7、三相三線接線示意圖

圖8、三相四線接線示意圖





